Особенности конструкции червячного редуктора
Червячный редуктор представляет собой, как правило, червячную передачу, заключённую в корпус. Основными элементами передачи являются червяк 7 и червячное колесо 11 (рис. 1), оси вращения валов которых перекрещиваются обычно под углом 90°. Движение в редукторе передается от червяка к червяному колесу и преобразуется по принципу винтовой пары.
Достоинством червячных редукторов является возможность передачи движения под прямым углом, а также реализация одной червячной парой (ступенью) большего передаточного отношения (до 80) по сравнению с зубчатой передачей (до 10). При этом червячная передача вследствие хорошей приработке трущейся пары работает более бесшумно и плавно, чем зубчатая передача.
К недостаткам червячных передач относится то, что при скольжении витков червяка по зубьям червячного колеса выделяется много тепла и происходит интенсивный износ трущихся пар. Поэтому в червячных редукторах надо отводить тепло.
Для этого червяки изготавливают из углеродистых или легированных сталей. Их витки шлифуют и полируют. Зубья же червячных колёс чаще всего выполняют из бронзы. Самые лучшие антифрикционные свойства у пары стальной червяк — оловянно-фосфористая бронза типа Бр. ОФ 10-1 и др. Однако, оловянные бронзы дороги и дефицитны и их применяют для изготовления зубьев червячных колес при скорости скольжения в передаче 5 … 25 м/с. Безоловянные бронзы, например алюминиево-железистые типа Бр. АЖ 9-4 и др., дешевле оловянных бронз, менее дефицитны и их применяют для изготовления червячных колес, при скорости скольжения в передаче 2…5 м/с. При скорости скольжения меньше 2 м/с применяют серый (ГОСТ 1412-85) или модифицированный чугун.
Для уменьшения расхода дорогостоящей бронзы при изготовлений червячного колеса его делают составным: зубчатый венец изготовляют из бронзы, а ступицу — из чугуна или стали.
В зацеплении червячной передачи возникают большие радиальные и осевые силы, поэтому на валы передачи устанавливают радиально-упорные шариковые или роликовые конические подшипники, воспринимающие такие нагрузки.
Основным отличием редуктора от передачи является наличие корпуса, который служит опорой для валов с подшипниками и зубчатыми колесами, ограждает их от вредного влияния окружающей среды и позволяет организовать смазку трущихся элементов передачи: зубчатых колёс и подшипников.
Корпус червячного редуктора так же, как и корпус зубчатого редуктора, имеет сложную конфигурацию и изготавливается при серийном производстве литьём из серого чугуна или алюминиевых сплавов. При индивидуальном производстве корпус может быть выполнен в виде стальной сварной конструкции.
Корпус служит опорой вращающихся деталей редуктора, изолирует их от вредного влияния окружающей среды и позволяет организовать их смазку.
Для удобства монтажа корпус червячного редуктора имеет большие боковые крышки (при межосевом расстоянии передачи aw
≤160мм ) или горизонтальную плоскость разъёма (приaw> 160мм ).
На корпусе червячного редуктора предусмотрены следующие специальные приливы: лапы для установки редуктора на опорную раму или плиту, бобышки или гнезда для установки в корпус валов с подшипниками, проушины для подъёма и транспортировки редуктора или его корпусных деталей и фланцы для крепления крышек к корпусу. Оребрение корпуса увеличивает площадь поверхности его теплообмена с окружающим холодным воздухом и служит для дополнительного охлаждения передачи. С этой же целью в случае необходимости дополнительно ставят вентилятор на валу червяка для увеличения скорости теплообмена.
Для заливки масла в редуктор и периодического контроля состояния элементов червячной передачи в корпусе есть смотровой люк с крышкой. Для слива отработанного масла в нижней части корпуса предусмотрено отверстие, закрываемое пробкой. Уровень масла в редукторе контролируется с помощью маслоуказателя.
В целом, червячные редуктора дороже и сложнее зубчатых, поэтому их применение оправдано там, где невозможно или нерационально использовать зубчатые редуктора.
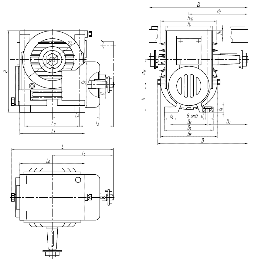
Габаритные и присоединительные размеры редукторов Ч-100, Ч-125, Ч-160

| Типоразмер редуктора | aW | L | L1 | L2 | L3 | L4 | L5 | L6 | l | B | B1 | B2 | B3 | B4 | B5 | B6 | B7 | B8 | B9 |
| Ч-63 | 63 | 298 | 215 | 180 | 55 | – | 145 | – | 10 | 215 | 230 | 200 | – | 200 | 158 | 130 | 100 | – | – |
| Ч-80 | 80 | 340 | 260 | 225 | 54,5 | – | 167 | – | 8 | 250 | 250 | 220 | 15 | 250 | 180 | 150 | 125 | – | – |
| Ч-100 | 100 | 373 | 240 | 200 | 125 | 175 | 225 | 255 | – | 344 | 175 | 140 | 155 | 450 | – | – | 225 | 214 | 204 |
| Ч-125 | 125 | 437 | 275 | 230 | 146 | 210 | 261 | 280 | – | 363 | 230 | 190 | 135 | 460 | – | – | 230 | 246 | 229 |
| Ч-160 | 160 | 551 | 350 | 300 | 195 | 245 | 345 | 363 | – | 434 | 280 | 230 | 165 | 560 | – | – | 280 | 286 | 264 |
| Типоразмер Варианты сборки редуктора | B10 | b | b1 | H | H1 | h | h1 | h2 | h3 | A | D | D1 | D2 | D3 | D4 | d | R | Масса редуктора, кг | Масса лап с деталями их крепления, кг | ||
| Варианты сборки | |||||||||||||||||||||
| 51; 52 | 53 | 56 | |||||||||||||||||||
| Ч-63 | – | 105 | 48,5 | 267 | 244 | 112 | 12 | 40 | 65 | 150 | – | 11 | 16 | 135 | – | 14 | 110 | 13,0 | 13,2 | 10,5 | 1,7 |
| Ч-80 | – | 115 | 48 | 293 | 272 | 112 | 14 | 50 | 62 | 180 | – | 13 | 18 | 155 | – | 16 | 115 | 18,7 | 19,1 | 15,0 | 2,3 |
| Ч-100 | 218 | – | 45 | 312 | – | 100 | 18 | – | – | – | 140 | – | – | 179 | 220 | 19 | – | 55,0 | 57,0 | 53,0 | – |
| Ч-125 | 243 | – | 60 | 396 | – | 111 | 22 | – | – | – | 160 | – | – | 217 | 275 | 19 | – | 86,0 | 88,0 | 84,0 | – |
| Ч-160 | 280 | – | 70 | 500 | – | 140 | 30 | – | – | – | 160 | – | – | 270 | 340 | 22 | – | 155 | 157 | 139 | – |
Примечания
1 Для вариантов сборки 51, 52, 53 масса редукторов Ч-63 и Ч-80 приведены с лапами, а для вариантов сборки 56 – без лап.
2 Масса редуктора Ч-80А, изготавливаемого в чугунном корпусе (для вариантов сборок 51 и 52 с лапами) – 30,0 кг; габаритные и установочные размеры совпадают с размерами редуктора Ч-80.
Принцип работы устройства
Редуктор понижает давление газа при выходе из баллона
Различают приборы прямого и обратного действия. Принцип работы газового редуктора определяется конструкцией.
В варианте прямого действия газ из резервуара через штуцер давит на клапан, газовая смесь проникает в камеру высокого давления. Теперь пропан давит изнутри – прижимает клапан пружиной и перекрывает доступ следующей порции газа. Рабочая мембрана медленно возвращает клапан, давление газа уменьшается до рабочего – той величины, с которой работает плита.
При снижении напора пружина расслабляется и освобождает клапан. Последний открывается под напором газа, поступающего из резервуара, и весь цикл повторяется.
Такого типа регуляторы делятся на 2 вида:
- Одноступенчатый – с 1 камерой, где снижается давление. Минус – показатель газа на выходе зависит от величины на входе.
- Двухступенчатый – включает 2 камеры. Газ последовательно проходит камеру высокого и рабочего давления и лишь затем подается к плите. Такая конструкция позволяет установить любое значение на выходе, вне зависимости от напора в баллоне и более точно регулировать показатели. Скачки давления исключаются.
Регуляторы могут оборудоваться подводом дополнительной энергии за счет установки пневматических и гидравлических датчиков или электронных автоматических устройств.
Принцип работы редуктора давления газа обратного действия другой. При поступлении газа клапан сжимается, перекрывая доступ следующей порции смеси. Регулятивный винт заставляет сжиматься базовую пружину. При этом мембрана между камерами изгибается, а передаточный диск давит на обратную пружину. Клапан поднимается и пропускает газ из баллона.
В рабочей камере редуктора давление растет вместе с показателем в баллоне или трубе, по которой подается смесь из газгольдера. Основная пружина распрямляет мембрану, передаточный диск двигается вниз и давит на обратную пружину. Последняя вновь сдавливает пропускающий клапан и перекрывает подачу.
Применение устройства
Червячный редуктор малогабаритный встречается в самых различных сферах. Примером можно назвать подъемники, конвейеры, насосы, мешалки, приводы ворот и многое другое. Кроме этого, установка механизма проводится в том случае, когда требуется механизм с невысокой стоимостью. Среди особенностей выбора отметим следующее:
Если передаточное число должно быть больше 25, а также не требуется свойство самоторможения, то рекомендуется отдавать предпочтение цилиндро-червяные механизмы. Это связано с более высоким показателем КПД в сравнении с другим вариантами исполнения, за счет чего увеличивается ресурс работы и снижаются затраты на электроэнергию. Запрещается проводить установку устройства в случае возникновения на момент эксплуатации ударной нагрузки. Это связано с тем, что длительная эксплуатация при ударных нагрузках может привести к сильному нагреву устройства и это существенно снизит рабочий ресурс. Известны случаи, когда при передаче усилия 4 кВт масло в корпусе практически закипало. Устройство должно устанавливаться исключительно в горизонтальном положении. В противном случае есть вероятность того, что на момент эксплуатации масло будет вытекать через отверстия. Есть варианты исполнения, которые предназначены для вертикальной установки, все зависит от определенных условий эксплуатации. Запрещается применять устройство при создании системы позиционирования
Как ранее было отмечено, устройство имеет люфт, который негативно отражается на точности
При установке механизма уделяется внимание тому, что оно обладает свойством самоторможения. Именно поэтому редуктор не устанавливается в случае, если приходится управлять устройство вручную при определенных условиях эксплуатации. Специалисты рекомендуют перед тем как запустить новое устройство провести его обкатку в холодном режиме
При этом нужно добавить должное количество масла, после чего устройство работает в течение 15-20 часов
Специалисты рекомендуют перед тем как запустить новое устройство провести его обкатку в холодном режиме. При этом нужно добавить должное количество масла, после чего устройство работает в течение 15-20 часов.
Это можно связать со следующими моментами:
- Расчет должен проводить исключительно профессиональный инженер, обладающий соответствующим опытом.
- После создания проекта, что предусматривает выполнение определенных расчетов и отображение чертежа, проводится непосредственное производство основных элементов. Все применяемые материалы должны быть надлежащего качества, так как в противном случае конструкция не сможет прослужить в течение длительного периода.
- Получив все необходимое проводится непосредственная сборка. Подобная работа также должна выполняться специалистом, так как все элементы должны идеально подходить друг к другу.
В целом, можно сказать, что сегодня устанавливаются исключительно покупные варианты исполнения, так как самодельные не могут прослужить в течение длительного периода и не обладают требуемыми эксплуатационными свойствами.
В заключение отметим, что червячный редуктор может быть отремонтирован своими руками, для работы не нужно обладать особыми навыками. Часть общего картера, в котором находятся основные элементы, зачастую можно снять. Перед непосредственным ремонтом проводится выливание масла в специальную емкость, после чего оно заменяется. Рабочая пара всегда подвергается полной замене, так как износ одного становится причиной повышенного износа другого. При незначительном зазоре проводится использование специальных вкладышей, за счет которых проводится смещение цилиндрического колеса и червяка.
Виды мотор-редукторов
Сегодня разработано большое число вариантов мотор-редукторов, различающихся типом двигателя, принципом построения механической части и общей геометрией. Практически все возможные комбинации присутствуют в каталогах производителей.
По виду механического зацепления подразделяют цилиндрические, конические, червячные и планетарные модели. По взаимному расположению входного и выходного валов рассматривают соосные, параллельные и угловые варианты. Исходя из передаваемых мощностей выделяют модули обычного размера и мини мотор-редукторы. По типу присоединения к процессу, встречаются варианты с одно- и двухсторонним валом, а также с полым выходным валом.
Цилиндрические мотор-редукторы
Агрегаты, использующие классические цилиндрические редукторы получили большое распространение, благодаря простоте, надежности и универсальности механической части устройства. Их использование возможно в широком спектре оборудования. В зависимости от общей конструкции, цилиндрические мотор-редукторы выполняются с соосными или параллельными валами. Количество ступеней может варьироваться от одной до шести.
По способу расположения шестерен и общей компоновке выделяют горизонтальные и вертикальные модели. Такие устройства характеризуются высоким КПД, долговечностью и относительно невысокой стоимостью. В отличие от многих других вариантов, цилиндрические редукторы обычно не допускают произвольного расположения в пространстве, что значительно ограничивает их область применения.
Конические мотор-редукторы
Устройства, собранные на основе конических шестерен, позволяют построить угловой конический мотор-редуктор. Его главной особенностью будет перпендикулярное расположение входного и выходного валов. Это ориентирует их на использование в устройствах, требующих смены направления осей. Также конические модели выгодно устанавливать в конструкциях, предъявляющих ограничение по одному из габаритных размеров устройства. Редукторы данного типа отличаются более высокой стоимостью, в виду значительной сложности изготовления отдельных деталей. Передаточное отношение конических моделей обычно невелико. Для его повышения, коническую и цилиндрическую передачи часто комбинируют, результатом чего становится коническо-цилиндрический мотор-редуктор.
Червячные модели
Сегодня, огромную популярность приобрели червячные одноступенчатые мотор-редукторы. В качестве механической передачи в них используется червячная пара. Она обеспечивает высокое передаточное отношение при сравнительно небольших габаритах. Благодаря этому стоимость червячных моделей ниже аналогов с иной конструкцией. Среди других особенностей следует выделить перпендикулярное расположение валов и самостоятельное затормаживание механизма при отсутствии внешнего поступления энергии.
В отличие от цилиндрических и конических моделей, приложение усилия к выходному валу не приведет к проворачиванию механизма. Благодаря этому такие редукторы часто используют в ответственных решениях и подъемно-транспортных устройствах. Червячные редукторы обычно не требовательны к положению установки. Благодаря герметичному корпусу их можно располагать произвольным образом, вследствие чего эти модели активно применяются для модернизации привода станков, промышленных линий и других механизмов. Среди недостатков червячных моделей обычно выделяют небольшой КПД и повышенное тепловыделение.
Планетарные и волновые мотор-редукторы
Благодаря компактности и высоким рабочим моментам, планетарные мотор-редукторы нашли широкое использование в небольших устройствах привода. Высокое передаточное отношение и способность работать с большими нагрузками, ориентирует их на использование совместно с серводвигателями промышленных роботов и других автоматических устройств. Встречаются планетарные модели и общепромышленного применения. Благодаря особенностям конструкции зубчатой передачи, данные модели мотор-редукторов выполняются с соосными валами. Это позволяет их использовать для привода практически любых механизмов.
Дальнейшим развитием планетарных передач стали волновые редукторы. Они обеспечивают большое передаточное отношение, плавность хода и высокую точность позиционирования выходного вала. Благодаря этому такие модели стали основой построения промышленных роботов. Наряду с высокими характеристиками, данные типы передач отличаются высокими требованиями к изготовлению, а, следовательно, и высокой стоимостью, что существенно сдерживает распространение данных моделей.
Принцип червячного механизма мотор-редуктора
Такой агрегат, как червячный мотор-редуктор, представляет собой объединённую конструкцию из электродвигателя и самого редуктора с червячной передачей. Различия сборки по назначениям предполагает расположение червячного вала в различных пространственных вариантах. При этом, профили сечения могут выполняться: глобоидальными, спиральными и эвольвентными. По предполагаемым в эксплуатации скоростным параметрам, передача выполняется:
- одноступенчатой;
- двухступенчатой.
Уникальное исполнение, которое мотор редуктор червячный получил в прочесе сборки, является его главным преимуществом. Ведь в таком агрегате отсутствуют соединительные муфты и прочие контактные элементы, а выходной вал электродвигателя является одновременно и ведущим валом самого редуктора. Принцип действия полученной системы имеет следующую последовательность:
- Червячный вал, получивший вращение в определённой скоростной величине от электродвигателя, передаёт действия на зубчатое колесо. В зависимости от конечного результата скорости, колесо может иметь различное число зубьев.
- В результате, скорость движения колеса будет задана по установленному количеством зубьев параметру, обозначаемому как передаточное число. Именно разница между числом зубьев на шестерне или червячном валу и на колесе и является аргументом будущего преобразования в другой скоростной режим.
- Когда используется двухступенчатый редуктор, в процессе участвует 2 колеса. Передаточное число, а, значит, и скорость могут быть изменены до большего значения (подразумевается получение меньших выходных оборотов).
- На выходе, ведомый вал получает необходимое производственными условиями число оборотов, которое передаётся к внешним механизмам и системам.
Использование двухступенчатых мотор-редукторов вызвано необходимостью сохранить пропорции агрегата в предельных рамках. Также, это помогает обезопасить механизмы от их изнашивания при чрезмерных усилиях, распределяя нагрузку на связанные этапы её ступенчатой передачи.
Назначение червячного редуктора и его основные функции
Функциональное назначение червячных редукторов обусловлено необходимостью преобразования скоростных показателей, когда имеет место большое передаточное число. Попросту говоря, они передают и преобразовывают крутящий момент от электрического мотора к валу рабочих систем и машин. При этом, благодаря форме червяка с трапециевидным исполнением витков, нагрузка имеет значительно меньшие величины, в отличие от цилиндрической передачи, так как форма витков позволяет равномерно распределить усилия, выполнять точную фиксацию и положение в механизме. Эти преимущества позволили назначить данный агрегат для работы в условиях:
- Подземных механических установок;
- Лебёдочных и других подъёмных механизмов;
- Запуска конвейерных линий;
- Насосных агрегатов и транспортёров;
- Промышленных, строительных и других электромешалок;
- Устройств по закрыванию ворот и прочее.
- отсутствие необходимости использовать механизмы торможения;
- передача движения с прямым контактом с двигателей;
- высокий уровень износостойкости, благодаря равномерности нагрузок;
- небольшие размеры, позволяющие компактно установить редукторный привод в отведённом месте.
Так же, это позволяет более выгодно решить вопрос с финансовой стороны, не используя дополнительных средств регулирования скоростных показателей, например, устройств плавного пуска или частотных преобразователей. В «Энергопуск» представлены мотор-редукторы всех типов, имеющие большую линейку передаточных чисел под различные мощностные и прочие рабочие показатели. Воспользуйтесь услугами специалистов, чтобы мы смогли максимально эффективно помочь Вам в выборе наиболее подходящего электроприводного агрегата для качественного выполнения будущих производственных задач.
Червячные мотор-редукторы
Остались вопросы? Специалисты ЭНЕРГОПУСК ответят на Ваши вопросы: 8-800-700-11-54
(8-18, Пн-Вт)
Типы редукторов
Типы редукторов в соответствии с классификацией по ГОСТу классифицируют по типу механической передачи и выделяют:
- цилиндрические;
- планетарные;
- конические (коническо-цилиндрические);
- червячные;
- волновые.
Учитывая технические характеристики редуктора каждого типа рассмотрим их принцип действия и особенности более детально.
Цилиндрический редуктор

Цилиндрический редуктор – наиболее распространен в промышленности и чаще всего применяется с целью изменения параметров вращения и передачи крутящего момента. В зависимости от типа механизма и специфики конструкции применяются во многих областях, хотя наибольшее распространение получили в металлургии, машиностроении, в электрооборудовании и автомобилях. Особенности конструкции предусматривают различные вариации, обеспечивающие оптимальные рабочие условия для каждого типа механизма индивидуально. Конструкция независимо от модификации включает такие элементы: колесо, комплект подшипников, корпус, смазочную систему, шестеренку, ведущий и ведомый валы. Такой механизм очень шумный, так как во время соприкосновения зубьев валов возникает удар. Но при этом исключается, перегрев механизма из-за отсутствия трения между деталями.
Планетарный редуктор

Планетарный редуктор работает на основании передачи крутящего момента планетарным способом. Планетарная передача предполагает наличие солнечной шестерни, расположенной в центре, коронной шестерни на периферии, а также сателлитов и водила. Три сателлиты располагаются между коронной и солнечной шестеренками. Водила соединяет между собой сателлиты, которые вращаются на его осях. Крутящий момент во время движения будет увеличен во столько раз, во сколько меньше число зубьев на солнечной шестеренка в сравнении с коронной.
Конический редуктор

Конический редуктор обеспечивает передачу вращательного движения с одного вала на другой при помощи зубчатой передачи и муфт. Механизм незаменим в тех случаях, когда конструктивно требуется расположить ведомый и ведущий валы в перпендикулярном положении относительно друг друга. Показатель крутящего момента и угловая скорость регулируются при помощи изменения размеров зубчатых колес или муфты. Существуют узкие и широкие типы конических редукторов. Механизм имеет в сравнении с цилиндрическим меньший КПД и более частое заедание зубьев во время движения.
Червячный редуктор

Червячный редуктор за счет уникальной конструкции допускает вращение вала в разные стороны. Такая особенность вызывает перегрев при повышенных нагрузках, самоторможение и заедание, поэтому механизм должен эксплуатироваться при средней загруженности, не доходя до граничных показателей мощности.
Среди преимуществ выделим высокий показатель КПД до 94%, большое передаточное число при использовании одной ступени, отсутствует шум во время движения и устойчивость к неблагоприятным условиям работы.
Волновой редуктор

Волновой редуктор конструкционно отличается от других типов и включает неподвижное зубчатое колесо, гибкий элемент с зубьями и генератор волны в центре механизма. Во время вращения внутреннего элемента, гибкая шестеренка зубьями одновременно захватывает несколько зубьев зафиксированной шестерни, что создает высокую жесткость при малых люфтах. Механизм обеспечивает высокое передаточное число, имеет компактные размеры, высокая точность кинематики и плавный ход, устойчивость к повышенным рабочим нагрузкам.
Достоинства и недостатки
Червячная передача в силу своих конструктивных особенностей имеет как достоинства, так и недостатки.
Из достоинств стоит отметить плавность хода, эффект самоторможения, низкий уровень шума, большое передаточное отношение с использованием всего двух деталей.
Из недостатков следует обратить внимание на сравнительно низкий КПД, повышенный износ, заедание, большое тепловыделение вследствие сил трения. Низкий КПД обуславливает применение подобных механизмов при передаче относительно небольших мощностей до 100 кВт
Для предотвращения скорого износа и заедания необходимо соблюдать требования к точности сборки и регулировать механизмы
Высокое тепловыделение требует специальных установок для отвода лишнего тепла
Для предотвращения скорого износа и заедания необходимо соблюдать требования к точности сборки и регулировать механизмы. Высокое тепловыделение требует специальных установок для отвода лишнего тепла.
Различие редукторов в основном сводится к различиям червяков и зубчатых колес, из которых собран данный червячный редуктор.
Червяки разделяются на типы по следующим признакам:
- по количеству заходов резьбы: однозаходные, многозаходные
- по направлению нарезки резьбы: правые, левые
- по форме винта, на котором нарезана резьба: цилиндрические, глобоидные
- по форме профиля резьбы: с конволютным профилем, с архимедовым профилем, с эвольвентным профилем
- Зубчатые колёса разделяются на типы по следующим признакам:
- по типу колеса: собственно колесо, зубчатый сектор, вырожденный сектор
- по профилю зубьев: прямой, вогнутый, роликовый (вместо зубьев используется вращающийся ролик)
Червячные редукторы со встроенным двигателем называются червячными мотор-редукторами. В редукторах чаще всего двигательный вал располагается под прямым углом к движимому. Компоновка червячного редуктора выбирается исходя из конкретных требований к устройствам. Двигатель может располагаться как сверху приводимого в движение колеса, так и снизу и сбоку. При боковом расположении двигатель устанавливается вертикально. Вследствие вертикального расположения усложняется процесс смазки подшипников вала, а также чистки внешних элементов.
Для увеличения передаточного числа используются разные технологии, но наиболее эффективной является применение большего числа ступеней.
Для смягчения сил трения и повышения сопротивления заеданию применяются специальные вязкие смазочные составы или масла. При низких скоростях вращения смазка осуществляется при помощи специальных ванночек с маслом либо использованием специальных устройств, разбрызгивающих смазку в места повышенного трения. Для червячных редукторов, скорость вращения которых высока применение ванночек нецелесообразно, и применяется принудительная смазка охлаждёнными смазочными материалами.
Основные преимущества редуктора червячного перед зубчатыми передачами заключаются в том, что начальный контакт звеньев происходит не в точке, а по линии. Также входной и выходной валы могут скрещиваться под разными углами, но чаще всего этот угол составляет 90 градусов. Также червячная передача занимает гораздо меньше места, чем зубчатая при одинаковом большом передаточном отношении.
Помимо червячного редуктора червячная передача также применяется в системах регулирования и управления различными устройствами. Благодаря самоторможению обеспечивается точная фиксация положения, а большое передаточное отношение (до 1000) позволяет наиболее точно отрегулировать положение, либо использовать маломощные двигатели. Также червячные передачи и червячные редукторы отлично подходят для установки в качестве механизма передачи в подъёмные и лебёдочные механизмы благодаря своим конструктивным особенностям.
Некоторые технические характеристики промышленно производимых и широко распространённых червячных редукторов.
Самыми распространёнными являются одноступенчатые мотор-редукторы.
| Тип | Передаточное число | Частота вращения выходного вала об/мин | Номинальный крутящий момент на выходном валу Нм | |
| редуктор | мотор-редуктор | |||
| Ч-20 | МЧ-20 | 5 — 50 | 28 — 300 | 4 |
| Ч-25 | МЧ-25 | 6 | ||
| Ч-31,5 | МЧ-31,5 | 8 | ||
| 2Ч-40 | МЧ-40 | 5 — 80 | 9,37 — 300 | 28 — 37 |
| Ч-50 | МЧ-50 | 50 — 70 | ||
| 1Ч-63, 2Ч-63 | МЧ-63 | 5 — 80 | 7,5 — 300 | 95 — 135 |
| 1Ч-80, 2Ч-80, Ч-80 | МЧ-80 | 150 — 280 | ||
| Ч-100 | МЧ-100 | 315 — 570 | ||
| Ч-125 | МЧ-125 | 615 — 1000 | ||
| Ч-160 | МЧ-160 | 1100 — 1900 | ||
| Ч-200 | МЧ-200 | 1600 — 3100 | ||
| Ч-250 | МЧ-250 | 2700 — 5700 | ||
| Ч-320 | МЧ-320 | 4400 — 10000 | ||
| Ч-400 | МЧ-400 | 6500 — 19000 | ||
| Ч-500 | МЧ-500 | 8200 — 33000 | ||
| РЧН-180 | МРЧН-180 | 12,5 — 50 | 20 — 90 | 1300 — 1800 |
| РЧП-300 | МРЧП-300 | 16, 25, 50 | 20 — 40 | 4200 |





































