Сборка своими руками
Вопрос, можно ли сделать индукционный паяльник своими руками, в основном носит теоретическую подоплеку. С практической стороны это неоправданно даже с чисто ценовой позиции.
Просто любая китайская паяльная станция будет стоить столько же, сколько сделанная своими руками. И разговор о самодельной конструкции в основном будет касаться именно блока управления. Для чего придется приобретать индукционный паяльник.
Что касается непосредственно изготовления самого инструмента, то его можно сделать из подручных материалов. Правда, такой индукционный паяльник будет маломощным.
Потребуется резистор на 5-10 Ом, медная проволока и ферритовая бусинка для изготовления катушки, а также провода для подачи электрического тока.
В первую очередь мультиметром проверяют сопротивление резистора. После чего с одной его стороны снимают крышку. Теперь потребуется стальная проволока.
К примеру, для этого можно использовать скрепку. Ее разворачивают, и один конец залуживают. Вторым концом оборачивают резистор в месте удаленной крышки.

Далее необходим кусочек текстолита, который с двух сторон также облуживается. Его размер подбирается так, чтобы он входил свободно в будущий корпус катушки. Теперь текстолитовую пластину припаивают к проволоке из скрепки и проводу от резистора.

Далее собирают катушку – на бусинку накручивают медную проволоку, к концам которой присоединяют проводки с вилкой. Луженая текстолитовая пластинка вставляется в подготовленную катушку. Во всех соединениях проводится пайка.

Остается только обмотать вокруг катушки изоленту, вставить в открытый резистор толстую медную проволоку, а саму катушку в подготовленный корпус. К примеру, это может быть алюминиевая трубка.
Обратите внимание, что медная проволока должна войти в резистор с натягом, чтобы жало индукционного паяльника не шевелилось в своем корпусе

И последнее – обмотка всего корпуса прибора изоляционной лентой. Вот такая простая схема сборки самодельного индукционного паяльника. Им, конечно, большие заготовки паять нельзя, а вот для небольшой микросхемы он подойдет в самый раз.
Сборка паяльника
Такой паяльник не подойдет новичку, так как для его создания требуются базовые знания в электротехнике и навыки чтения электрических схем. За основу для изготовления этого агрегата берется импульсный блок питания от галогенных светильников. Хорошо будет получить и схему этого устройства, в рассматриваемом примере она имеет такой вид, хотя может быть и любая другая, в зависимости от модели блока для паяльника:

Принцип действия импульсного паяльника заключается в закорачивании вторичной обмотки трансформатора Т2 для получения максимального нагрева жала. Для этого применяется самодельная обмотка с одним витком и закороткой из более тонкой проволоки под наконечник.
Для изготовления паяльника вам понадобится блок от галогенного светильника, корпус (в данном случае используется пистолет из детской игрушки), медная проволока диаметром 6мм и проволока диаметром 1мм, керамические предохранители, болты для фиксации деталей паяльника, кнопка и шнур питания с вилкой. Из инструмента вам понадобятся пассатижи, отвертка, метчик и ножовка.
Процесс изготовления импульсного паяльника состоит из следующих этапов:
Снимите крышку с блока питания от галогенного светильника, будьте аккуратны, чтобы не повредить внутренние элементы, места пайки и детали. Рис. 12: снимите крышку с блока питания С трансформатора удалите низковольтную обмотку, представленную несколькими витками медной проволоки. Рис. 13: удалите низковольтную обмотку Примерьте плату в заготовленный корпус и определите наиболее выгодный способ расположения. Заметьте, что нагревательный элемент будет сильно греться, поэтому под ним никакие элементы лучше не оставлять, куда безопаснее перенести их подальше, разделив плату. Аккуратно разделите плату и на две части, для безопасности деталей их можно удалить на время распила, если под рукой имеется хоть какой-то паяльник
В противном случае придется соблюдать предельную осторожность. Рис
14: обрежьте плату Подключите к плате кнопку и шнур питания. В катушку с высоковольтной обмоткой трансформатора проденьте медную проволоку толщиной 6мм и согните при помощи пассатижей вокруг катушки, как показано на рисунке. Рис. 15: проденьте медную проволоку в катушку На выводы нагревательного элемента наденьте части керамической рубашки предохранителя, они должны предохранять пластиковый корпус паяльника от высокой температуры. Рис. 16: наденьте куски керамической рубашки Концы нагревателя расплющите, и сделайте отверстия при помощи метчика под фиксаторные болты. Рис. 17: нарежьте резьбу Закоротите теплоприемник медной проволокой диаметром в 1 мм. Если при первом включении этот проводник перегреется и перегорит из-за слишком большой температуры жала, его нужно будет заменить более толстым в 1,5 или 2 мм. Если нагрев будет слабым, установите более тонкую проволоку в 0,5 мм.
У вас получился один из самых мощных паяльников, работающих от сети 220В – он запросто может выпаять детали с мощными ножками, соединять контакты силовой цепи и т.д.

Но назвать этот паяльник одноразовым нельзя, поскольку собирается он целенаправленно и требует серьезных усилий для создания. Также желательно иметь хоть какой-то рабочий паяльник при его изготовлении, это значительно упростит работу по разделению платы.
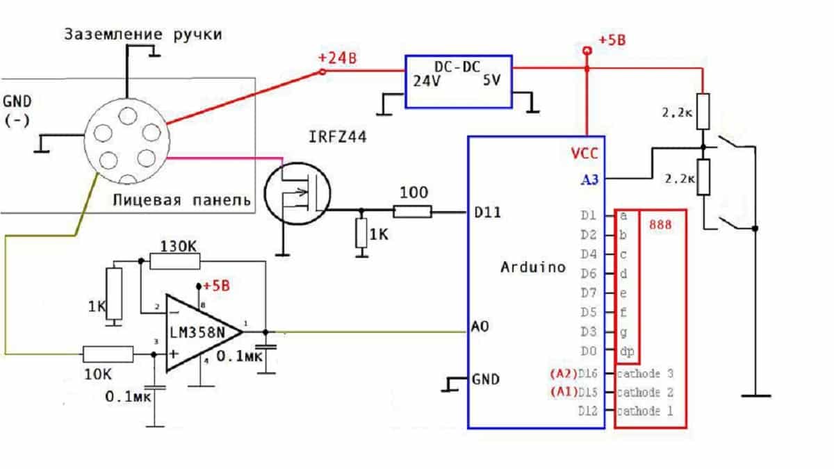
Способ №3. Автоматическая паяльная станция на базе Ардуино
Такая паяльная станция собирается на базе микроконтроллера Arduino, который выполняет роль логического элемента, обрабатывающего данные от индикатора температуры и регулирующего мощность нагрева жала. Отличительной особенностью такого устройства является полная автоматизация контроля за температурой – вам достаточно задать ее и дождаться нагревания. Пример схемы для сборки приведен на рисунке ниже:
Рис. 10. схема паяльной станции на базе ардуино
Чтобы собрать такую станцию вам понадобится:
- сама плата Ардуино для управления работой паяльной станции;
- цифровое табло для отображения температуры нагрева;
- микросхему для программирования паяльной станции;
- транзистор, стабилизатор и кнопки, магазин резисторов и емкостных элементов.
Для сборки такой паяльной станции воспользуйтесь приведенной схемой, в качестве нагревательного элемента будет выступать жало обычного паяльника с датчиком температуры, которые подключаются к собранной схеме.
К недостаткам такого устройства следует отнести его сложность, из-за чего начинающие радиолюбители могут попросту не собрать рабочую версию с первого раза. Также для пайки используемых в автоматической станции элементов вам понадобиться специальный паяльник и предварительные навыки работы с ним, чтобы не испортить детали.
Разновидности оборудования для пайки
Существует несколько различных видов инструмента для осуществления процесса пайки. Наиболее распространенными разновидностями приборов являются следующие:
- инструменты, оснащенные нихромовым нагревателем;
- инструмент с керамическим нагревателем;
- приборы с индукционным нагревателем;
- инструмент с импульсным нагревателем;
- газовые инструменты;
- устройства с аккумуляторным питанием;
- термовоздушные и инфракрасные паяльные установки.
Паяльник с керамическим нагревателем имеет более быстрый нагрев.
Приборы с нагревателями, изготовленными из нихромовой проволоки, работают при пропускании переменного или постоянного тока. Этот тип паяльников, как правило, не имеет регуляторов нагрева. Исключение составляют небольшое количество моделей оснащаемых датчиками для контроля нагрева. В качестве температурного датчика применяется термопара.
Инструмент с керамическим нагревателем отличается тем, что нагрев осуществляется за счет подачи электропитания на контакты нагревателя, изготовленного из токопроводящей спецкерамики. Такие устройства являются более современными и обладают рядом преимуществ, основные среди которых – скорость нагрева рабочего элемента устройства и длительный срок эксплуатации. Помимо этого приспособления, имеющие керамический нагревательный элемент, оснащаются регуляторами температуры и мощности, которые имеют широкий спектр регулировки
Индукционные приспособления отличаются тем, что для разогрева инструмента применяется катушка индуктора. Наконечник устройства имеет ферромагнитное покрытие, в котором катушка создает магнитное поле с наведенным током. Нагрев наконечника осуществляется за счет действия наведенных в магнитном поле токов. При помощи изменения свойств ферромагнитного покрытия регулируется степень нагревания наконечника прибора.
Импульсные паяльники представляют собой категорию инструмента, разогрев жала которого происходит посредством воздействия на него короткого импульса тока, после нажатия кнопки пуск. Эти приборы отличаются особо быстрым нагревом наконечника инструмента.
Термовоздушные и инфракрасные станции для пайки являются специфическим оборудованием, которое применяется в работе только специалисты.
Порядок самостоятельной сборки паяльника
Необходимость иметь самодельный паяльник может быть продиктована двумя соображениями: характеристики существующих образцов не удовлетворяют конкретным требованиям, стремление снизить расходы на приобретение паяльника. Чтобы понять, как сделать паяльник своими руками, необходимо рассмотреть его устройство. Обычный электропаяльник включает: нагревательный элемент для паяльника, жало, корпус, защитный фартук, ручку, подводящий провод. Все перечисленные элементы могут быть сделаны своими руками или выбраны из готовых элементов от других, например неисправных приборов.
В настоящее время существует большое количество самодельных конструкций подобных устройств. Наиболее популярными можно считать следующие:
- изменение существующей конструкции или добавление необходимых деталей (например, изменение диаметра жала);
- добавление регулятора мощности нагрева паяльника;
- самодельный микропаяльник;
- аппарат из резистора.
Бывают случаи, когда даже маломощные паяльники (например, 25 Вт или 40 Вт) не способны решить требуемую задачу. В этом случае на готовое жало накручивают нихромную проволоку по спирали, оставляя один конец свободным, в качестве нового жала. Таким образом, удаётся существенно снизить диаметр жала, что снижает площадь контакта с деталью. Применение самодельного регулятора мощность в комплексе удаётся получить улучшенные характеристики нагрева. В радиолюбительской литературе можно выбрать схему регулятора мощности, исходя из своих требований, доступа к требуемым радиодеталям, опыта сборки радиотехнических устройств.
Обычно в качестве регулирующего элемента используется тиристор или симистор. Для стабилизации выходного параметра применяют микроконтроллер. Выбор формы корпуса остаётся за изготовителем. Чаще используют уже готовые корпуса: розетки, корпус удлинителя, корпус от блока питания мобильного телефона и так далее. Поэтому изготовить самостоятельно такой регулятор мощности для паяльника достаточно просто.
Мощность нагрева паяльников
Мощностью электрические паяльники бывают 12, 20, 40, 60, 100 Вт и больше. И это тоже не случайно. Для того, чтобы припой при пайке хорошо растекался по поверхностям спаиваемый деталей, их нужно прогреть до температуры чуть большей, чем температура плавления припоя. При контакте с деталью тепло передается от жала к детали и температура жала падает. Если диаметр жала паяльника не достаточный или мощность нагревательного элемента мала, то отдав тепло, жало не сможет нагреться до заданной температуры, и паять будет невозможно. В лучшем случае получится рыхлая и не прочная пайка.
Более мощным паяльником можно паять маленькие детали, но возникает проблема недоступности к месту пайки. Как, например, запаять в печатную плату микросхему с шагом ножек 1,25 мм жалом паяльника размером в 5 мм? Правда есть выход, на такое жало навивают несколько витков медного провода диаметром 1мм и концом уже этого провода паяют. Но громоздкость паяльника делают работу практически не выполнимой. Есть и еще одно ограничение. При большой мощности, паяльник быстро прогреет элемент, а многие радиодетали не допускают нагрева выше 70˚С и по этому, допустимое время их пайки составляет не более 3 секунд. Это диоды, транзисторы, микросхемы.
Устройство из шариковой ручки
Как видно на фото мини паяльников, одним из популярных вариантов является инструмент, сделанный из шариковой ручки.

Вам понадобится: шариковая ручка, резистор, провода, кусок текстолита, проволока (медная и стальная), изоляционный материал.

Последовательность шагов:
- Очистите резистор, отрежьте ножку и сделайте отверстие в торце.
- Нарежьте резьбу на корпусе чашечки.
- Проволоку согните в кольцо.
- Изготовьте плату из текстолита и припаяйте к ней провода.
- Кольцо и проволоки припаяйте к резистору.
- Закрепите жало в подготовленном отверстии.
- Положите изоляцию;
- Возьмите ручку и поместите в ее корпус плату. Устройство готово к применению.

Учимся паять паяльником провода с нуля или что такое канифоль и флюсы
Новичкам кроме покупки паяльника, необходимо еще приобрести канифоль и флюсы. Это расходные материалы, без которых процесс пайки невозможен. Они еще называются противоокисляющими веществами. Если это важные материалы, тогда разберемся с их назначением, и особенностями применения.
Канифоль или флюсы нужны, чтобы очистить поверхность спаиваемых деталей от различных загрязнений. Флюсы способствуют растворению загрязнений и оксидной пленки, формирующейся на поверхности детали. Чтобы понимать, для чего это необходимо, вспомним назначение грунтовых смесей в строительстве. Перед оштукатуриванием стены наносится грунтовый слой, посредством которого обеспечивается надежное и эффективное присоединение материала. Аналогичная ситуация и с проводами, и если одножильный проводник можно зачистить вручную острым предметом, то с многожильными проводами это сделать будет крайне трудно.
Канифоль представлена в твердом виде, а флюсы преимущественно имеют жидкую или вязкую форму. Отсюда получается, что пользоваться флюсами намного проще, так как для этого жилу провода нужно окунуть в состав, и приступать к пайке. Чтобы воспользоваться канифолью, необходимо расположить жилу провода на поверхности, и нагреть ее до расплавления вещества. При расплавлении канифоль обволакивает поверхность жилы кабеля, после чего он готов к последующему процессу пайки.
Это интересно! Не торопитесь выбирать флюсы, так как они имеют существенный недостаток по сравнению с канифолью. После пайки провода, на нем остаются частицы флюса. Если их не удалить с поверхности, то они постепенно будут разъедать поверхность провода, снижая его проводимость. Именно поэтому при использовании флюса для пайки, после проведения работ, участок подлежит обработке спиртовым раствором. Канифоль после пайки смывать спиртом не нужно.
Прежде, чем паять провода, необходимо знать, что канифолью можно обрабатывать различные материалы — медь, алюминий и т.п., что говорит об ее универсальности. Флюсы имеют соответствующие предназначения, поэтому их нужно применять в зависимости от того, какие материалы паяются. Универсальный флюс легко сделать своими руками, для чего нужно растереть канифоль, получив пылеобразную консистенцию, и соединить ее со спиртом. После тщательного размешивания, получаем универсальный и легко используемый флюс из канифоли.
Принцип действия
В основу работы устройства положен простой физический принцип нагревания проводника при пропускании через него сильного электрического тока.
При включении устройства нажатием кнопки кнопкой замыкается входящая цепь блока питания, высокое напряжение преобразуется трансформатором в низкое напряжение на вторичной обмотке, в выходной цепи возникает ток, который быстро нагревает жало. При отпускании кнопки цепь размыкается, ток перестает течь и нагрев прекращается.
Сила тока в рабочей цепи достигает 25-50 ампер при невысоком напряжении около 2 вольт. Вторичная обмотка трансформатора должна быть намотана проводом, должна иметь сечение в несколько раз больше, чем сечение проволоки жала. То же самое касается токопроводящих шин, соединяющих концы жала с вторичной обмоткой. Это предотвратит их перегрев и непроизводительные затраты энергии на их нагревание.
Вместо трансформатора в последнее время все шире стали применяться импульсные источники питания. Они позволяют в несколько раз снизить вес и габариты блока при той же производительности.
Как паяльником паять микросхемы
Отдельно необходимо рассмотреть процесс пайки микросхем, которые сегодня встречаются в современных телевизорах, компьютерах, телефонах и прочей технике
Прежде чем паять микросхемы, надо понимать, что здесь важно не просто припаять или отпаять элемент, но еще и разбираться с их назначением
Если для пайки проводов и печатных плат с полупроводниковыми элементами применяются обычные стержневые паяльники, то при работе с микросхемами следует использовать термовоздушные приборы или как их еще называют — фены. Их главное достоинство в том, что припаивание или отпаивание деталей осуществляется очень быстро. Для работы с микросхемами понадобится также подготовить материалы и инструменты. В качестве противоокисляющего вещества применяется флюс ЛТИ, а в качестве вспомогательного инструмента используется пинцет.
Процесс пайки микросхем термовоздушным феном происходит следующим образом:
- В качестве выпаиваемого элемента может быть микропроцессор, контроллер или микроэлементы — резисторы, диоды или конденсаторы. Перед их припаиванием или выпаиванием, необходимо обработать флюсом ножки деталей и места на печатной плате
- Если необходимо выпаять микроэлемент, который сверху залит специальными веществами, то перед выпаиванием, их нужно удалить. Для этого используется ацетон или специальные растворители
- После того, как деталь будет очищена, можно приступать к ее выпаиванию. Для этого подносим паяльник, который должен быть предварительно разогрет. Располагает его на расстоянии 2-3 см от детали
- При помощи пинцета поддеваем деталь, прилагая небольшие усилия. Как только ножки детали оплавятся, то она отсоединится от платы
- Аналогичным способом осуществляется присоединение детали к плате
При необходимости используется припой, когда на новую плату припаиваются детали. Припой следует нанести предварительно, после чего приступать к припаиванию микроэлементов. Подробный процесс работы с микросхемами паяльником, представлен в видеоматериале ниже.
Термопредохранитель
А из интересного там – Термопредохранитель! Именно он и мог быть причиной недогрева. Он находится под защитной решёткой, болтиком прикручен к нагревателю.
Его функция – Дополнительная защита. Хотя всё управление- нагрев, контроль, отключение и включение берёт на себя электроника, производители поставили дополнительную защиту. На тот случай если например тиристор пробьётся и тэн перестанет управляться контроллером.
Как это работает и почему сломалось
В случае поломки электроники, при достижении определённой температуры, биметаллические контакты предохранителя разомкнутся и отключат тэн не дав ему перегреться. Принцип работы как в утюге, если кто знаком, понимает о чём я.
Более детальная проверка показала, что так и есть, чутьё меня не подвело. Причина такой неисправности в следующем. По замкнутым контактам этого предохранителя, проходит довольно приличный ток. Под токовой нагрузкой, со временем контакты начинают греться, затем потихоньку подгорать – сильнее, сильнее и в конце концов их способность проводить ток становится хуже.
В результате, на тэн не передаётся достаточное для нормального нагрева количество энергии. Часть её теряется на вот этих подгоревших контактах, от этого они начинают греться ещё сильнее.
А помните, что происходит с нагревом термопредохранителя? С нагревом, его контакты стремятся разомкнуться. Всё это, только ещё сильнее ухудшает контакт в этой цепи или вообще его обрывает.

Термопредохранитель
Принцип работы паяльником
Перед началом работы поверхность необходимо очистить от загрязнений и тщательно обезжирить, кромки нужно зашкурить. При использовании паяльника его наконечником следует расплавить кромки соединяемых деталей. Далее их нужно прижать друг к другу и зафиксировать до полного остывания. Лучше всего заранее сжать края вместе и обрабатывать их одновременно. После остывания формируется сварочный шов, соединяющий две заготовки в единое целое. При работе феном поток нагретого воздуха направляют на поврежденную область, равномерно прогревая ее до достижения температуры пластичности. Теперь можно придавать размягченному пластику любые требуемые формы. Для сварки на фен надевают щелевую насадку, формирующую узкий плоский поток нагретого воздуха. Этим потоком действуют так же, как жалом паяльника. Еще одна разновидность ремонта – скрепление скобами. В аппарат для пайки вставляют скобы, они разогреваются и вдавливаются в материал таким образом, чтобы соединить части бампера в единое целое, обеспечивая сварному шву дополнительную прочность.
При ремонте трещин их следует зачистить и углубить до глубины в полсантиметра до образования V-образного желобка. В концах трещины следует просверлить отверстия, чтобы предотвратить дальнейшее распространение. Далее паяльником соединяют края до полного исчезновения трещины. Шов следует сначала пройти с внутренней стороны, второй проход выполняется с лицевой. Если форму поверхности не удалось восстановить полностью, на проблемные участки наклеивают куски стеклоткани. После восстановления формы и целостности бампера его красят так же, как и металлические детали. На зашкуренную и обезжиренную поверхность наносят слой грунта, после его высыхания – два слоя краски. В качестве финишной отделки проводят полировку.
Мощность нагрева паяльников
Мощность паяльника также может варьировать в довольно обширном диапазоне
Данный показатель является одним из наиболее важных, принимается во внимание при выборе более оптимальной модели. От аналогичного критерия зависит также температуры нагрева и некоторые прочие характеристики
К ключевым советам по выбору можно отнести такие моменты:
- Для работы с маленькими микросхемами подходит устройство, параметр мощности которого не больше 25 ватт. Этого достаточно для припаивания маленьких компонентов. Необходимо учесть, что слишком больший коэффициент мощности может привести к тому, что во время работы микросхема может оплавится.
- Для спаивания толстых проводов применяются устройства, параметр мощности которых составляет 40 ватт. Температуры, которую можно получить при аналогичном показателе, в полной мере достаточно с целью решения главных задач.

Схема регулятора мощности паяльника
В основном, с увеличение рассматриваемого критерия намного увеличивается и цена изделия. Это связано с конструктивными проблемами, которые появляются на момент производства устройства.
Принцип работы
Большинство приборов в основе работы используют преобразование электрической энергии в тепловую. Для этого во внутренней части устройства располагается нагревательный элемент. Но некоторые типы устройства просто нагреваются на огне или используют подожжённый направленный поток газа.
В нихромовых устройствах используется проволочная спираль, через которую пропускается ток. Спираль располагается на диэлектрике. Нагреваясь, спираль передаёт тепло медному жалу. Температура нагрева регулируется термодатчиком, который при достижении определённого значения нагрева отсоединяет спираль от электрической линии, а при остывании опять подключает её к ней. Термодатчиком является не что иное, как термопара.
Индукционное оборудование работает за счёт индуктора. Жало покрывается ферромагнетиком. С помощью катушки наводится магнитное поле и появляются в проводнике токи, приводящие к нагреву жала. При работе наступает такой момент, что жало теряет свои магнитные свойства, нагрев останавливается, а при остывании свойства возвращаются и нагрев восстанавливается.
Работа импульсных паяльников основана на использовании высокочастотного трансформатора. Вторичная обмотка трансформатора имеет несколько витков, выполненных из толстого провода, концы которого и являются нагревателями. Частотный преобразователь увеличивает частоту входного сигнала, который снижается на трансформаторе. Регулировка нагрева происходит при помощи регулировки мощности.
Термовоздушный паяльник, или, как его называют, термофен, при работе использует горячий воздух, который нагревается при прохождении через спираль, выполненную из нихрома. Температуру в нём можно регулировать как снижением величины напряжения подаваемого на проволоку, так и изменением потока воздуха.
Одним из видов паяльников стали устройства, использующие инфракрасное излучение. В основе их работы лежит процесс нагрева излучением с длиной волны до 10 мкм. Для регулирования применяется сложный узел управления, изменяющий как длину волны, так и её интенсивность.
Газовые представляют собой обычные горелки, вместо жала использующие сопла разного диаметра. Управление температурой практически невозможно, кроме изменения интенсивности выхода газа с помощью заслонки.
Изготовление корпуса и установка нагревателя
Корпус изготовлен из жести от консервной банки. Заготовка представляет собой прямоугольник, ширина которого зависит от диаметра нагревателя. В моём случае размеры заготовки составили 20,5 Х 80 мм. Ряды отверстий сделаны для уменьшения передачи тепла
по корпусу в ручку.
Заготовка свёрнута в трубку на оправке подходящего диаметра. В полученную трубку вставлен нагреватель.
Нагреватель закреплён
в корпусе путём плотного обматывания корпуса в области нагревателя стальной проволокой. Чтобы концы проволоки встретились, я сначала согнул её под прямым углом, отступив несколько сантиметров от начала, и уложил этот участок проволоки в щель между краями согнутой в трубку пластины корпуса в направлении от будущей ручки к жалу. Затем плотно намотал проволоку виток к витку в направлении от жала к ручке и соединил концы при помощи скрутки. Скрутку заправил в щель корпуса.



































