Рекомендацию по выбору двигателя для самодельного точильного станка
Двигатель берется в зависимости от ваших нужд, если вы собираетесь точить на нем только шила, маленькие ножи и т.п., то вам подойдет двигатель от стиральной машинки из СССР. Такие двигатели обычно имеют 1380 об. в мин и 180-250 вт мощностью. Сейчас есть и двигатели от современных стиральных машинок-автоматов, но их сложнее подключить – нужна специальная плата, зато на них можно регулировать обороты.
Для более уверенной работы лучше взять двигатель на 400вт и 1380-3000 оборотов. Такое точило уже будет хорошо помогать в мастерской.
Но если вы хотите работать с крупными деталями, точить ломы, например :), то вам нужно использовать уже двигатель порядка 750 вт или более и на 3000 оборотов.
Фото наждака, сделанного своими руками:
Принцип работы самодельного устройства
Прежде чем изготовить самодельный наждак своими руками нужно рассмотреть особенности его принципа работы. Они заключаются в нижеприведенных моментах:
- При изготовлении инструмента в качестве основы применяется стиральная машина и другие распространенные бытовые приборы.
- Основой конструкции становится электродвигатель, от которого передается вращения. Именно он запускает устройство.
- От электрического двигателя отходит вал, к которому подбирается наиболее подходящие насадки. Выточить их можно своими руками при наличии токарного или фрезеровального станка.
- На специальной насадке устанавливается наждачный круг, который будет проводить механическую обработку поверхности.
При подключении прибора к электросети двигатель начинает работать, передавая вращение наждачному кругу. Принцип работы наждака довольно прост, поэтому его создать можно своими руками при применении подручных материалов.
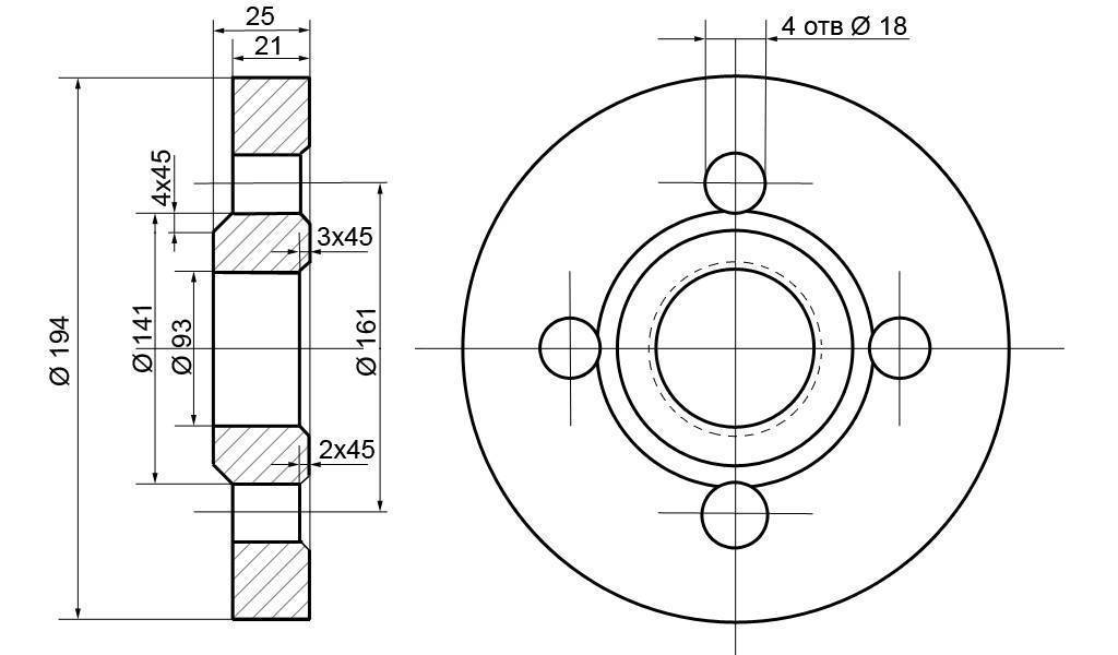
Изготовление фланца
Для того чтобы соединить двигатель и точильный камень необходимо выточить специальный фланец. Для этого можно заказать работу токарю, предоставив ему чертежи точила, размеры сечения вала и диаметра отверстия точильного камня.
Также нужно вытачивать следующие детали:
Чертеж изготовления фланца для наждака.
- фланец, надеваемый на ось вала;
- болт;
- гайка;
- шайба с левосторонней нарезкой.
На фланце и гайке надо нарезать резьбу в зависимости от того, в какую сторону вращается двигатель. Если вал вращается по часовой стрелке – нарезка должна быть левосторонней. Если против часовой стрелки – нарезка правосторонняя.
Это необходимо для того, чтобы в процессе обработки инструментов гайка наждака самостоятельно закручивалась. Если же гайка будет раскручиваться, камень может упасть. Во время работы это очень опасно для окружающих.
Если вы не смогли изготовить втулки нужного диаметра, то можно применить куски труб аналогичного диаметра. При этом можно заполнить зазоры между валом и втулками намоткой тканевой изоляционной ленты.
Втулку выполняют из трубы диаметром 32 мм. Она должна соответствовать диаметру круга наждака. На нее устанавливают наждачный круг так, чтобы он сел вплотную.
Данная система втулок должна плотно сидеть на валу. Обязательно крепление при помощи болта и шайбы.
Самостоятельно можно нарезать резьбу с помощью метчика, для этого надо вал зажать в тисках
При этом важно правильно определить для данной резьбы диаметр отверстия
Схема самодельного мини-наждака.
Прежде чем приступить к изготовлению прибора, нужно уточнить направление вращения ротора. Например, мотор от стиральной машины является асинхронным. Это означает, что направление вращения можно менять посредством переключения обмоток.
В двигателе от стиральной машины обычно 3-4 вывода. Таким образом, при наличии 4 выводов можно легко изменять направление вращения.
Для этого надо с помощью тестера определить рабочую и пусковую обмотки. Чаще всего уровень сопротивления рабочей обмотки бывает 12 Ом. У пусковой обмотки этот показатель 30 Ом.
Рабочую обмотку двигателя включают в сеть электропитания мощностью 220 Вт. Пусковую обмотку включают первым концом к выводу катушки, а другим концом необходимо быстро прикоснуться ко второму выводу и тут же его оторвать от нее. Для этой операции применяют реле.
Если установлен конденсаторный двигатель, то схема подключения прибора будет другая.
Это означает, что во время работы точило будет крутиться в определенную сторону. Если затем переставить выводы пусковой обмотки с места на место, то прибор начнет вращаться в другую сторону.
Можно не использовать пусковую катушку. Тогда после подключения прибора к сети надо будет крутануть точильный камень в нужную сторону, после этого устройство начнет работать.
Этапы работ по изготовлению наждака
1. Изначально необходимо определиться с размерами будущего наждачного станка, разработать его схему, чертежи конструктивных элементов. При желании, можно взять на вооружение чертежи, опубликованные в статье. Размеры будущего наждака необходимо привести в соответствие с габаритами имеющегося в наличии электрического двигателя.
2. Целесообразно заказать в токарной мастерской специальный фланец для крепления наждачного круга на вал электродвигателя с набором крепёжных гаек, поскольку самостоятельное изготовление данного элемента требует наличия специальных станков, а также соответствующего профессионального опыта.
3. Изготовление опорной рамы.
3.1. Используя углошлифовальную машинку, на широкой грани большой трубы прямоугольного сечения, согласно чертежу, следует вырезать паз, в который впоследствии будет помещён конденсатор. Также, потребуется вырезать в уголках соответствующие выемки для будущего монтажа электродвигателя.
3.2. Из имеющихся в наличии заготовок труб, уголков необходимо сварить раму, воспользовавшись сварочным аппаратом.
3.3. С помощью дрели нужно просверлить заданное количество отверстий под монтаж двигателя стиральной машины.
4. Изготовление вспомогательного столика.
4.1. На горизонтальной поверхности одной из металлических пластин требуется просверлить дрелью продольные пазы, которые будут служить направляющими для перемещения столика в определённое рабочее положение. Поверхность второй (верхней) пластины оставляется гладкой.
4.2. С помощью сварочного аппарата выполняется сварка элементов столика: 2-х металлических пластин, квадратной трубы.
5. За счёт болтового соединения, выполняется крепёж столика к раме.
6. Используя щётку по металлу, закрепленную на «болгарке», выполняется зачистка всех шероховатостей, неровностей полученной конструкции.
7. Все металлические части конструкции покрываются краской по металлу.
8. На нижнюю часть рамы крепятся резиновые амортизаторы при помощи саморезов.
9. Выполняется сборка электрической схемы, на раме закрепляется выключатель.
10. Из куска оцинкованной жести изготавливается и монтируется защитный фартук на двигатель.
11. Выполняется полная сборка конструкции точила, с подключением всех электрических элементов. Собранный наждак готов к работе.
Процесс самостоятельного изготовления точильного станка гарантированно окажется несложным даже для человека, имеющего небольшие навыки работы с металлом и обладающего элементарными познаниями в электрике. Такой наждак станет хорошим вспомогательным оборудованием для каждого хозяйственного человека, предпочитающего решать бытовые проблемы своими силами.
Правильно наточить нож вручную довольно сложно. Придется некоторое время нарабатывать привычку удерживать постоянный угол заточки, что совсем нелегко. Облегчить задачу может приспособление для заточки ножей. Есть фабричные варианты. Но за хорошие экземпляры надо отвалить пару сотен долларов, а это явно немало. Хорошая новость в том, что приспособления эти несложно изготовить своими руками. Причем многие самодельные точилки для ножей не хуже по функционалу, чем от именитых производителей, зато обходятся во много раз дешевле.
Описание и назначение наждачной бумаги
Основа изделия состоит из ткани или бумаги, поверх которой при помощи клея или смолы наносится абразив в виде зерен твердого материала. Первую наждачную бумагу начали применять еще 8 веков тому назад. Изделие представляло собой пергамент с приклеенным ракушечником, мелким песком, различных семян растений. Позже стали широко использовать стекло в качестве абразива.
Основные этапы производства наждачки:
- тканевое или бумажное полотно обрабатывают полимерами (латекс или каучук);
- разогретым заранее клеем (30 – 50 градусов Цельсия) поливают основу;
- берут необходимый абразивный материал и посыпают на клей;
- последний шаг – сушка изделия.
Процесс изготовления
Выточка фланца
Как известно, фланец соединяет движок и камень. Если у вас отсутствует опыт работы на токарном станке, обратитесь за помощью к специалисту, предоставив подробный чертёж будущего устройства, с замерами диаметра камня на внутренней поверхности и величины вала.
Сделанный фланец необходимо правильно насадить на вал, зафиксировать результат крепёжными элементами, к примеру, болтом и гайкой, предпочтительно воспользоваться дополнительной шайбой с резьбой, расположенной по левой стороне.

В зависимости от вектора вращения вала, на крепежах образуется резьба. Вращение по часовой стрелке требует левостороннего нарезания резьбы, против часовой стрелки – правостороннего. Таков принцип закручивания гайки, если им пренебречь – деталь будет раскручиваться, а камень, скорее всего, слетит с установленного места, что травмоопасно для человека, который работает с наждаком.
Однако не у всех есть возможность сделать наждак своими руками с точечными втулками определённого размера, как того требует технология. Справиться с этой ситуацией в домашних условиях помогут куски труб, щели и пустоты, образовавшиеся между втулками и валом, можно скрыть путём подмотки текстильной изолентой. Ещё один вариант — последовательное размещение меньшей втулки в большей.
Наматывая изоленту, следуйте равномерности. Втулка производится из трубы, диаметр которой составляет 32 мм, совпадающей с внутренним диаметром наждачной окружности. После чего круг нужно расположить поверх втулки.
Учёт направления работы наждака
Перед тем как сделать наждак своими руками, определитесь с вектором его работы. Для удобства вы можете самостоятельно поменять направление оборотов, которые делает ротор. Если движок взят из стиральной машины, его можно считать асинхронным, а, значит, препятствий для изменения направления вращений нет.

Найдите обмотки, предназначенные для пуска и работы, воспользуйтесь тестером. Как отличить пусковую и рабочую обмотки? Показатель сопротивления первой достигает 30 Ом, рабочей — 12 Ом. Рабочий элемент подключается к электросети 220 Вт, пусковой работает при присоединении одного конца к одному из выводов, находящихся на катушке, вторым концом достаточно прикоснуться на короткое время к следующему выводу и сразу же отложить в сторону.
Сборка устройства и меры безопасности
После сборки конструкции устройства надо установить прибор на верстак. Это можно сделать посредством кронштейна от стиральной машины. Его нужно прикрепить к верстаку при помощи болтов.
С другой стороны двигатель опирается на угол для поддержки его горизонтально. Этот угол имеет специальный вырез, который соответствует форме двигателя.
Можно уменьшить вибрацию прибора во время работы. Для этого надо надеть на уголок специальную окантовку, выполненную из куска резинового шланга.
Для соблюдения мер техники безопасности во время заточки надо изготовить для прибора металлический кожух. Его делают из листового металла толщиной 2-2,5 мм. Для этого нужно вырезать из металла полосу и свернуть ее полукольцом.
Под абразивным камнем надо установить кусок оцинкованного листового металла, который будет защищать от искр верстак в процессе работы аппарата.
Можно изготовить специальные приспособления для точила. Нужно приготовить оргстекло толщиной 5 мм. Его прикрепить навесками к кожуху мотора. Это стекло должно откидываться на 180°.
Для удобства выполнения работ надо сделать подручник. Он необходим для упора обрабатываемого инструмента.
Если следовать данной инструкции, то можно самостоятельно изготовить электрический наждак, который будет успешно обрабатывать необходимые инструменты и прослужит очень долго. При работе прибора обязательно соблюдать меры безопасности.
Функциональный точильный станок не прочь иметь под рукой многие хозяйственные люди. Оборудование такого типа от хорошего производителя стоит недёшево. Вовсе не обязательно тратить деньги на покупку нового станка, поскольку вполне реально изготовить наждак своими руками, потратив минимум средств и усилий.
Среди множества электроинструментов, необходимых в домашнем хозяйстве, наждак занимает почётное место по востребованности. Он пригодится в гараже для заточки ножей, на даче; окажется незаменимым для любого мастерового человека.
Руководствуясь фото и видео материалами в статье, обладая необходимым набором материалов и инструментов, при наличии минимальных навыков, можно запросто изготовить самодельный наждак. В конструкцию будущего станка войдут: наждачный камень (точило), опорная рама, вспомогательный столик, электрическое оборудование.
Движок – основная часть наждака
Устройство самодельного наждака.
Главный рабочий инструмент наждака – точильный гранит, но без массивного электронного мотора много полезности из него не извлечь. Движок хороших размеров и мощности можно достать из старенькой стиральной машины русского производства, благо их просто можно отыскать на не далеком рынке либо в газете объявлений в рубрике «отдам безвозмездно». Большая часть стиральных машинок такового типа, невзирая на их достаточно преклонный возраст, имеют вполне рабочий движок. Его мощность составляет около 100-200 Вт зависимо от модели. Этого полностью довольно для домашнего наждака. Скорость вращения ротора обязана быть не наиболее 1500, а лучше 1000 оборотов за минуту, по другому увеличивается риск разрушения точильного камня во время работы, что тянет за собой трагические последствия.
Движки стиральных машин старенького эталона представлены в большей степени асинхронными моделями. Это означает, что обычная модификация устройства дозволит поменять направление вращения ротора. Для этого, меняют местами точки подключения пусковой либо рабочей обмотки.
Обычный движок стиральной машинки имеет 4 выхода: два из их – для подключения к сети, еще два – для подсоединения пускателя. Отличить их друг от друга можно по сопротивлению. Вооружитесь обыденным тестером и произведите замеры сопротивления. Для рабочей обмотки, которая подключается к сети, оно будет составлять 12 Ом, в то время как для пусковой данный параметр равен 30 Ом. Поменяв места подключения одной из обмоток местами, мы получим в итоге вращение ротора в оборотную сторону.
Изготовление заточного станка своими руками шаг 1
На двигатель установил электрокоробку, в нее поместил конденсатор для запуска двигателя, тумблер — выключатель и блок питания для лампы.
Тумблер использовал от советского лампового телевизора — надежная штука оказывается, сначала установил современный красивый китайский тумблер — при его использовании станок “заикался” (работал с некоторым рывками), причем замена тумблера другим такой же марки не помогла, пока не поставил советский тумблер.
Я ради интереса потом установил эти китайские тумблеры на другой двигатель, который тоже начал “заикаться”, обидно, отдал за 2 тумблера 100 руб. — просто выкинул деньги на помойку.
Ну с а конденсатором — все стандартно, не буду описывать в 101 раз, как подключить трехфазный двигатель к 220в — это легко найти в гугле, или в нашей статье по расчету конденсатора.
Подготовка фланца
Для создания рассматриваемой конструкции своими руками также потребуется фланец. При необходимости его можно выточить своими руками или обратиться к профессиональному токарю. Особенностями этого этапа назовем следующие моменты:
- Нужно знать диаметр посадочного отверстия используемого наждачного круга.
- При создании фланца учитывается диаметр вала. Фланец и вал должны обладать схожими диаметрами, слишком большой зазор может привести к серьезным проблемам.

Фланец
Подобный элемент крепится при помощи гайки, болта и шайбы. Нарезание резьбы проводится с учетом того, в каком направлении будет вращаться выходной вал. К примеру, при вращении круга по часовой стрелке, то нарезаемая резьба должны быть левой. За счет выбора противоположно направленной резьбовой поверхности снижается вероятность раскручивания гайки во время работы. Если это произойдет, то рабочая часть слетает на большой скорости, что приведет к травмам и другим повреждениям.
Если не получается изготовить фланец из заготовки, то можно использовать в качестве основы трубу с подходящим диаметром. Устранить зазор между втулкой и валом можно путем применения уплотнительного материала. Если зазор слишком большой, то используется несколько втулок различного диаметра.
Подключение (проверка) двигателя
Естественно, перед тем, чтобы начинать что-то собирать, электромотор нужно сначала подключить и проверить.
В старых стиральных машинах попадаются два варианта исполнения двигателей: более старый и качественный, имеет
закрытый корпус с крыльчаткой, с двумя питающими выводами и более новый – четыре вывода, крыльчатки нет,
охлаждение происходит через отверстия спереди и сзади, через которые видны обмотки.
Старый вариант не требует никаких конденсаторов для запуска – пусковая обмотка хитрым образом
подключается и отключается внутри двигателя специальным механизмом. Благодаря этому никаких сложностей
с подключением возникнуть не должно: оба вывода подключаются в сеть 220 вольт. Недостатком такого двигателя
является то, что направление вращения вала предустановлено внутренним подключением и изменению не подлежит.
Как правило, это направление по часовой стрелке и поэтому необходимо будет использовать левую резьбу для
крепления камня.
Вариант поновее имеет четыре вывода двух обмоток: рабочей и пусковой. Отличить их можно при помощи
мультиметра: сопротивление рабочей обмотки около 10 Ом, пусковой – около 40 Ом. Возможно сопротивления
будут отличаться от указанных, но незначительно. Пусковую обмотку нужно подключать через конденсатор
4-5 мкФ на напряжение не менее 400 в. Мне встречались составные конденсаторы для подобных двигателей: два
последовательно соединенные по 10 мкФ на 300 в. То есть, таким образом поднималось максимально допустимое
рабочее напряжение готового конденсатора. Использование составного конденсатора из двух с низкими напряжениями
(не менее 300 в) возможно, но нежелательно. Конденсаторы следует использовать неполярные!
Если верить дате изготовления на корпусе “59г” – этому бумажному конденсатору 60 лет! И он прекрасно
работает. По утверждению советских радиолюбителей, бумажные конденсаторы имеют свойство восстанавливаться после
пробоя.
Проверить двигатель можно вообще без конденсаторов и пусковой обмотки: напряжение 220 в. подается напрямую
на рабочую обмотку. При таком подключении мотор будет стартовать без нагрузки в произвольном направлении.
Чтобы задать направление вращения вала, нужно подключать пусковую обмотку и конденсатор. Для наждака нужно
задавать направление против часовой стрелки. Ниже показана схема подключения, если вал вращается по
часовой стрелке, нужно изменить подключение пусковой обмотки.
Во многих публикациях в сети видел такое утверждение, что пусковые обмотки подключать не нужно вообще,
а направление вращения задавать при старте вручную. Якобы при использовании пусковой цепи двигатель сгорит.
Объяснить эти домыслы я могу только одним путем – один написал глупость, а остальные списали у первого. Могу
с уверенностью сказать: пусковую обмотку подключать можно и нужно, через конденсатор 4-5 мкФ, пусковая цепь
должна быть подключена всегда, без каких-либо дополнительных кнопок. И если мотор исправен – такое
подключение для него безопасно и совершенно безвредно.
Какие работы можно создавать на наждаке?
Данным вопросцем задаются домашние мастера, которые еще не до конца убеждены в необходимости сотворения наждака. Зависимо от скорости вращения и зернистости абразива, на наждаке можно создавать как предварительную обработку металлов, так и их шлифовку и доводку. При наличии упора с регулировкой угла установки просто провести точную заточку резцов, стамесок и сверл. Заострить обыденный кухонный ножик на таком станке можно всего за несколько секунд, не прилагая при всем этом огромных усилий.
Если ваше хобби – работа с сплавом, его шлифовка либо ковка ножей, то с помощью наждака и набора кругов разной зернистости, можно отшлифовать поверхность материала до зеркального блеска.
Будьте убеждены, наличие наждака у вас на дому существенно расширит ваши способности.
Типы двигателей стиральных машин
Все мы знаем, что барабан в стиральной машине запускается двигателем. Обычно для разгона барабана используют обыкновенную ременную передачу. Среди преимуществ такого способа чаще всего называют более мягкий ход барабана, за счет естественной амортизации. Кроме этого замена ремня занимает максимум 20 минут, и стоит не дорого.
Ременной привод достаточно прост в использовании, если вы найдете такой моторчик, то сделать самоделку будет намного проще.
Каждый тип двигателя обладает преимуществами и недостатками, а также сильными и слабыми сторонами. Рассмотрим особенности основных трех типов.
Асинхронный
В таком моторе два рабочих агрегата — неподвижный статор и вызывающий вращение барабана ротор. При этом скорость вращения мотора может достигать 2800 оборотов в минуту.
Устройство асинхронного двигателя.
Слабое место таких моторов – снижение вращающего момента. Из-за этого барабан начинает буквально «ходить-ходуном» и раскачиваться.
Преимущества асинхронных двигателей:
- простота конструкции и обслуживания (главное, не забывать смазывать мотор и менять подшипники);
- низкая шумность;
- бюджетная стоимость.
Среди основных недостатков:
- громоздкий мотор;
- низкий коэффициент полезного действия;
- «корявые» электросхемы, неудобные при перепайке.
Такие двигатели чаще всего используют в недорогих моделях, не отягощенных «умной» электроникой.
Коллекторный двигатель
Сегодня коллекторные двигатели почти полностью заменили асинхронные. Почти 90 процентов всех бытовых стиральных машин оснащены именно таким типом двигателя.
И это не удивительно, ведь такие моторы более универсальные, они могут работать как от переменного, так и от постоянного тока.
Такие двигатели состоят из трех основных элементов: статора, коллекторного ротора и тахогенератора или генератора скорости вращения.
Кроме того, в конструкции предусмотрены специальные щетки для контакта ротора с мотором (обычно их две). Их необходимо периодически менять, так как они стачиваются о коллектор.
Двигатель коллекторного типа имеет ряд преимуществ:
- компактные габариты;
- большой пусковой момент;
- не зависит от частоты электросети;
- более плавное управление оборотами, в этом случае вращение регулируется контролем за напряжением.
- универсальность;
- простая и доступная управляющая электросхема;
Среди минусов можно отметить:
- невысокий срок службы;
- необходимость периодической замены щеток;
- высокая шумность.
Современные моторы с прямым приводом
Для стиральных машин нового поколения используются моторы, которые работают без ременного привода. В таких моторах привычный нам шкиф заменяет специальная муфта, которая соединяет вал ротора напрямую с осью барабана без ремня.
Впервые система Direct Drive была использована в стиральных машинах LG в 2005 году. В этом случае привод присоединяется напрямую к барабану, что исключает применение соединительных элементов – самых уязвимых частей моторов.
В конструкцию прямого привода входит инверторный бесщеточный мотор, в котором частота вращения задается электромагнитными волнами. Она способна определять нагрузку от стираемого белья и в зависимости от этого изменять потребляемую мощность.
Эта технология считается одной из самых передовых, приводы такого типа используют ведущие производители стиральных машин, такие как Haier, Bosсh, AEG, Samsung и Whirpool.
Внешне такой прямой двигатель чем-то напоминает асинхронный, однако, принцип работы его совершенно иной. В этом случае используется управляющая схема трехфазного инверторного типа.
Моторы такого типа обладают рядом преимуществ:
- удобное расположение и отсутствие лишних деталей;
- износостойкость и простота замены элементов;
- компактность;
- низкий уровень колебания машинки;
- Высокий КПД;
- отсутствие ремня и щеток, требующих регулярного обслуживания;
- относительная бесшумность.
Такие моторы существенно увеличивают общую стоимость бытовой техники. Связано это, прежде всего со сложной системой управления электросхемы такого двигателя.
Изготовление самодельного станка
Направление движения наждака
Перед изготовлением самодельной конструкции своими руками необходимо определиться с тем, в каком направлении будет двигаться ротор. Асинхронные двигатели могут менять направление движения рассматриваемого элемента в зависимости от того, как был подключен источник питания. Особенностями подобного момента назовем следующую информацию:
- Перед подключением источника питания определяется предназначение обоих обмоток. Измерение сопротивления проводится тестером, у рабочей оно в несколько раз ниже, чем пусковой
- Обмотка, предназначенная для работы устройства, подключается к источнику энергии. Пусковая подводится реле и катушке, после чего устройство включается.
Меняя положение проводки можно задавать требуемое направление движения ротора. От этого зависит то, по часовой стрелке или против будет вращаться наждак.
Выбор электродвигателя
Основным элементом рассматриваемой конструкции является электрический мотор
Собирая самодельный наждак уделяется внимание следующим рекомендациям:
- Чаще всего используется двигатель от стиральной машины, к примеру, «Волга» или «Сибирь». Устанавливаемые движки на этих приборах характеризуются высокой производительностью и надежностью, при этом обойдется дешево. Кроме этого, с них забирается выключатель для создания блока управления.
- Больше всего подходят электрические двигатели, которые имеют от 1 до 1,5 оборотов в минуту. Нельзя использовать варианты исполнения с числом оборотом более трех тысяч. При подобной нагрузке конструкция, созданная своими руками, не выдержит ее, наждачный круг может сломаться. Слишком большое количество оборотов подходит в случае, если нужно провести полировку, а не заточку поверхности.
- При создании наждака своими руками и использовании двигателя с большим количеством оборотов следует использовать наждачные круги высокой прочности. Только они смогут выдержать оказываемую нагрузку.
- Показатель мощности должен находится в пределе от 100 до 200 Вт. При желании можно повысить показатель до 400 Вт, но не более.
Устанавливаемый мотор может быть однофазным и трехфазным. Рекомендуется отдавать предпочтение однофазным вариантам исполнения, так как они могут питаться от бытовой сети. Трехфазные характеризуются высокой производительностью, в меньшей степени подвержены нагреву.
Общие сведения
Основным критерием правильной заточки ножей является проведение этой операции под нужным углом. Если затачивать нож вручную, то задать и сохранить угол заточки на протяжении всего процесса трудно. Заточка ножей с помощью станка позволяет сохранить первоначально установленный угол заточки лезвия на протяжении всего процесса работы. Заложенная в конструкцию «приспособы» для заточки ножей, возможность смены наждачного камня на ленточную наждачную бумагу, позволяет произвести не только заточку ножа, но и его финальную «доводку».
Углом заточки любого лезвия называется угол, под которым две стороны режущей кромки расположены относительно друг друга. Его значение определяется исходя из того, что будет резать затачиваемый нож. Если нож предназначается для обрезки, или даже обрубки прочных материалов, то угол заточки делают большим. Резка мягких, легко мнущихся поверхностей требует более малого угла заточки.
Законодательно установленных стандартов угла заточки в РФ нет, поэтому каждый заточник ножей руководствуется только собственными требованиями. Однако, есть несколько общих значений, которые получены опытным путем.
- 8˚-10˚- угол заточки лезвия скальпеля, бритвы;
- 10˚-15˚- для резки мягких материалов;
- 15˚-20˚- заточка кухонных ножей;
- 20˚-25˚- для лезвий режущего инструмента (рубанки, строгальные станки, фуганки);
- 20˚-40˚- под таким углом затачивают охотничьи ножи;
- 30˚-50˚- для тяжелых больших ножей, которыми, скорее рубят, чем режут (тесак, мачете).
Все ножи, изготавливаемые путем горячей ковки, проходят несколько этапов обработки после выкова заготовки: обдирка, грубая заточка, тонкая заточка, шлифовка. Такие ножи стоят дорого и используются нечасто.
Ножи бытовые производятся методом штамповки и для их заточки специальных знаний и оборудования не требуется. Однако, их заточка тоже требует сохранения угла, для чего и создано приспособление о котором пойдет речь.
Изготовка фланца
Фланец – деталь, применяемая для соединения точильного камня и мотора. С данной для нас задачей непревзойденно управится токарь. А остальное можно выполнить и самому, с внедрением подручных материалов.
Для самостоятельного производства наждака следует выточить:
- фланец (насаживаемый на вал мотора и фиксируемый болтом);
- гайку;
- шайбу с резьбой.

Резьбу следует порезать как на гайку, так и на фланец (левосторонняя либо правосторонняя – все зависит от направления движения вала), она обязана самозатягиваться, чтоб точильный диск не открутился от вала. Вы сможете порезать резьбу метчиком (вал зажимают в тисках).

Если вы не имеете способности создать доброкачественную втулку можно пользоваться кусочками труб подходящего поперечника и изолентой (для компенсации расстояния меж валом и втулкой).







